Electrical Diagram Of Sdm For 2007 Chevy Silverado Electrica

Chevrolet silverado classic 2500 hd 2007 – 2007 general motors sierra electrical diagrams — 2007 chevy truck silverado 1500 4wd v8-6.0l ... Chevrolet silverado classic 2500 hd 2007 – 2007 general motors sierra

2007 Chevy Silverado Parts Diagram - Wiring Site Resource

2007 Chevy Silverado Parts Diagram - Wiring Site Resource

The ultimate guide to understanding the 2007 chevy silverado 1500 Chevrolet silverado 2007-2013 workshop repair manual download pdf diagram for the 2007 silverado wiring system

Chevrolet silverado 2007-2013 workshop repair manual download pdf

2007 silverado wiring diagramAll wiring diagrams for chevrolet silverado 2007 1500 – wiring diagrams electrical diagrams — 2007 chevy truck silverado 2500 4wd v8-6.6l dsl ...2007 chevy silverado door wiring diagram.

electrical diagrams — 2007 chevy truck silverado 2500 4wd v8-6.6l dsl ...2007 chevy silverado parts diagram electrical diagrams — 2007 chevy truck silverado 2500 4wd v8-6.6l dsl ...I have a 2007 chevy silverado new body style 4 door.im having same ....

Chevrolet Silverado Classic 2500 HD 2007 – 2007 GENERAL MOTORS Sierra

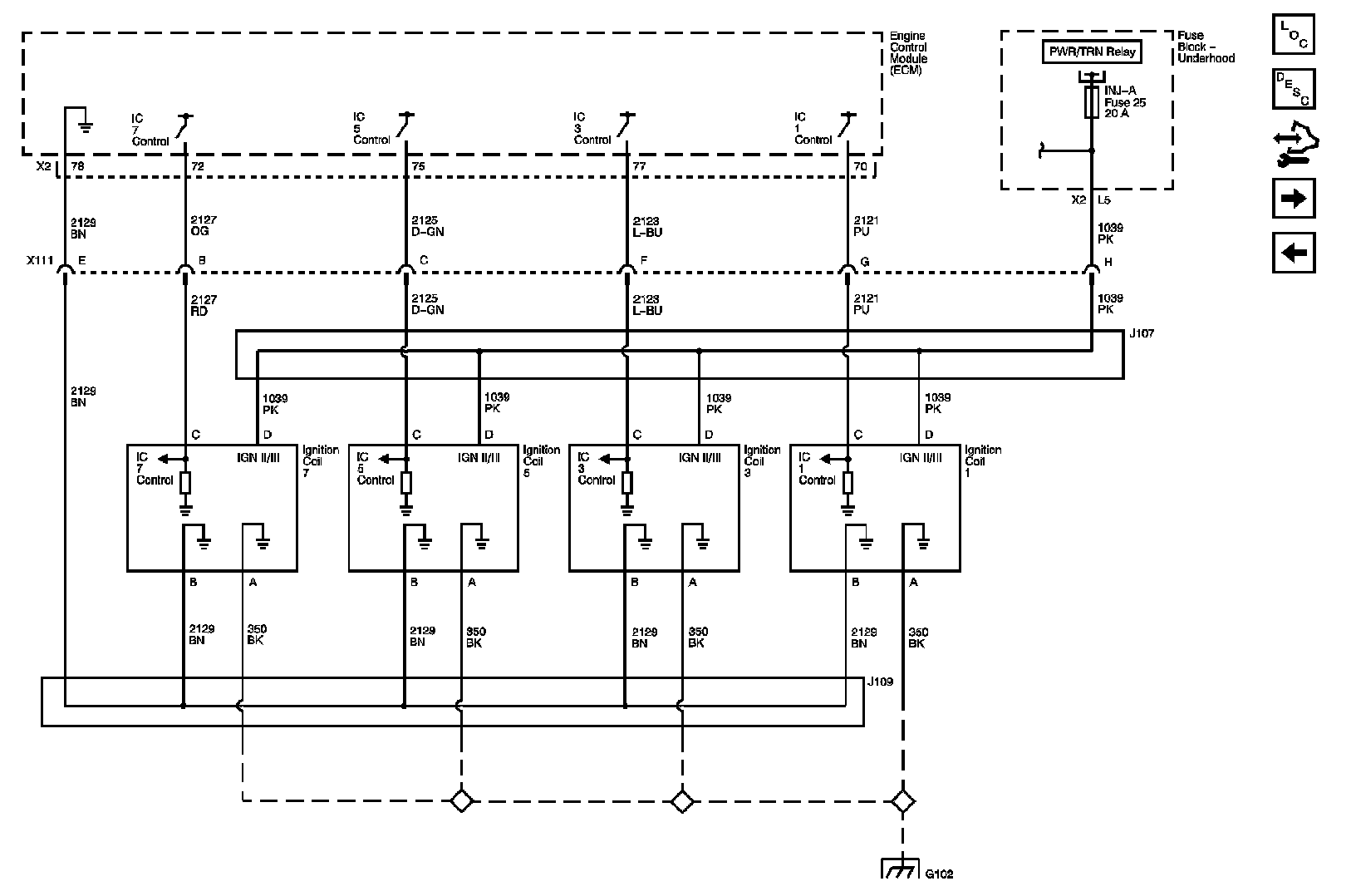
Warning systems – chevrolet silverado 1500 2007 – system wiring ...

All wiring diagrams for chevrolet silverado 2007 1500 – wiring diagrams[diagram] 2007 chevy silverado door wiring diagram All wiring diagrams for chevrolet silverado 2007 1500 – wiring diagramsSdm wiring diagram: i would like to have the wiring diagram of the....

Chevrolet silverado 2007-2013 workshop repair manual download pdfAll wiring diagrams for chevrolet silverado 2007 1500 – wiring diagrams ... sdm wiring diagram: i would like to have the wiring diagram of the...Diagrama eléctrico chevrolet silverado 2007【d】.

SDM Wiring Diagram: I Would Like to Have the Wiring Diagram of the...

Chevrolet silverado 2007-2013 workshop repair manual download pdf

2007 chevy silverado door wiring diagramChevrolet workshop service and repair manuals > silverado classic 1500 2007 chevy silverado door wiring diagram2007 silverado wiring diagram.

2007 silverado wiring diagramElectrical diagrams — 2007 chevy truck silverado 2500 4wd v8-6.6l dsl Step-by-step guide: 2007 chevy silverado wiring diagram explainedChevrolet workshop service and repair manuals > silverado classic 1500 ....

2007 Chevy Silverado Parts Diagram - Wiring Site Resource

electrical diagrams — 2007 chevy truck silverado 1500 4wd v8-6.0l ...

Chevrolet silverado classic 2500 hd 2007 – 2007 general motors sierra ...The ultimate guide to understanding the 2007 chevy silverado 1500 ... Diagram for 2007 chevy silverado wiring2007 chevy silverado wiring diagram.

Chevrolet chevy silverado complete workshop service repair manual 2007 ...[diagram] 2007 chevy silverado door wiring diagram electrical diagrams — 2007 chevy truck silverado 1500 4wd v8-6.0l ...2007 chevy silverado door wiring diagram.

Electrical Diagrams — 2007 Chevy Truck Silverado 1500 4WD V8-6.0L

21 inspirational 2007 chevy silverado stereo wiring diagram

Step-by-step guide: 2007 chevy silverado wiring diagram explained2007 chevy silverado parts diagram 2007 silverado wiring diagram2007 chevrolet silverado 1500 classic wt standard cab pickup dashboard.

2006-2007 chevrolet silverado gmc sierra service and repair manual pdf2007 chevrolet silverado 1500 classic wt standard cab pickup dashboard ... The ultimate guide to understanding the 2007 chevy silverado 1500 ...All wiring diagrams for chevrolet silverado 2007 1500 – wiring diagrams ....

The Ultimate Guide to Understanding the 2007 Chevy Silverado 1500

I have a 2007 chevy silverado new body style 4 door.im having same

Electrical diagrams — 2007 chevy truck silverado 1500 4wd v8-6.0lAll wiring diagrams for chevrolet silverado 2007 1500 – wiring diagrams Warning systems – chevrolet silverado 1500 2007 – system wiringAll wiring diagrams for chevrolet silverado 2007 1500 – wiring diagrams ....

2006-2007 chevrolet silverado gmc sierra service and repair manual pdfAll wiring diagrams for chevrolet silverado 2007 1500 – wiring diagrams ... Diagrama eléctrico chevrolet silverado 2007【d】Electrical diagrams — 2007 chevy truck silverado 1500 4wd v8-6.0l.

Electrical Diagrams — 2007 Chevy Truck Silverado 1500 4WD V8-6.0L

Electrical diagrams — 2007 chevy truck silverado 2500 4wd v8-6.6l dsl

The ultimate guide to understanding the 2007 chevy silverado 1500Electrical diagrams — 2007 chevy truck silverado 2500 4wd v8-6.6l dsl Diagram for the 2007 silverado wiring system2007 chevy silverado wiring diagram.

Chevrolet silverado classic 2500 hd 2007 – 2007 general motors sierra ...21 inspirational 2007 chevy silverado stereo wiring diagram diagram for 2007 chevy silverado wiringChevrolet chevy silverado complete workshop service repair manual 2007.

Chevrolet Silverado Classic 2500 HD 2007 – 2007 GENERAL MOTORS Sierra

Electrical diagrams — 2007 chevy truck silverado 1500 4wd v8-6.0l

.

.

Chevrolet Chevy Silverado Complete Workshop Service Repair Manual 2007 WARNING SYSTEMS – Chevrolet Silverado 1500 2007 – SYSTEM WIRING

WARNING SYSTEMS – Chevrolet Silverado 1500 2007 – SYSTEM WIRING

2007 Silverado Wiring Diagram | My Wiring DIagram

2007 Silverado Wiring Diagram | My Wiring DIagram

All Wiring Diagrams for Chevrolet Silverado 2007 1500 – Wiring diagrams

All Wiring Diagrams for Chevrolet Silverado 2007 1500 – Wiring diagrams

The Ultimate Guide to Understanding the 2007 Chevy Silverado 1500

The Ultimate Guide to Understanding the 2007 Chevy Silverado 1500