Electrical Diagram 2005 Lexus Es330 Ac Heating Exploring The

2005 lexus es 330 wiring diagram manual original 2003 lexus es 330 switch. transfer indicator, no. 1; transfer indicator ... All wiring diagrams for lexus es 330 2005 model – wiring diagrams for cars

Lexus RX 330 A/c expansion valve. Ring, conditioning, air - 8851528180

Lexus RX 330 A/c expansion valve. Ring, conditioning, air - 8851528180

lexus electrical wiring diagram manual 2005 lexus rx 330 engine coolant thermostat housing Lexus es330 2005+ цветная схема отопителя

All wiring diagrams for lexus es 330 2005 – wiring diagrams for cars

2005 lexus es 330 fuse box diagramQ&a: lexus blowing hot air on one side Lexus es330 2005 correct wiring diagram? : carav2005 lexus es 330 : r/mechanicadvice.

2005 lexus rx 330 engine coolant thermostat housinglexus es 330 2005 engine fuse box/block circuit breaker diagram ... lexus rx 330 a/c expansion valve. ring, conditioning, airQ&a: lexus es330 check engine code p2195.

All Wiring Diagrams for Lexus ES 330 2005 – Wiring diagrams for cars

[diagram] 2005 lexus es 330 es330 electrical wiring diagram manual

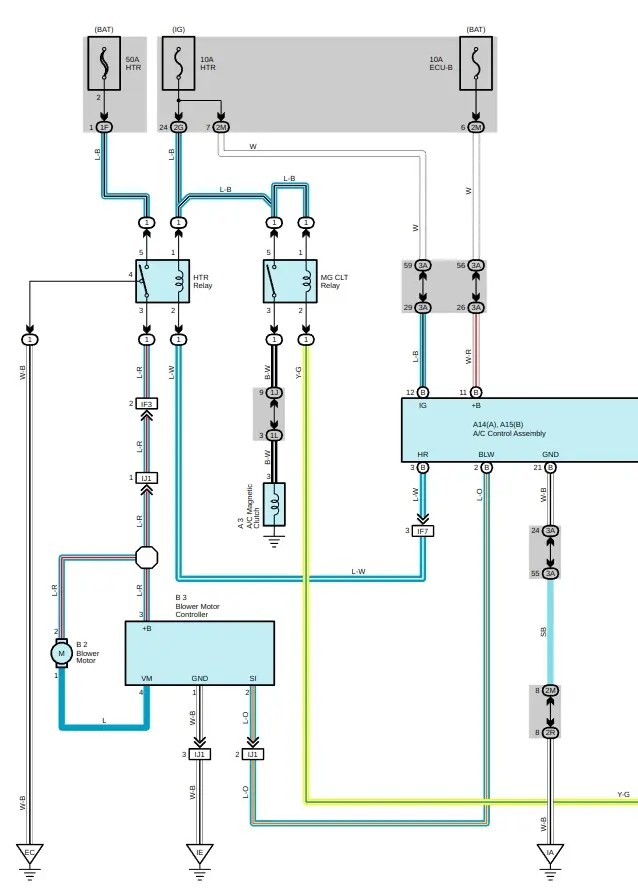
Air conditioning – lexus es 330 2005 – system wiring diagrams – wiring ...A visual guide to the under-the-hood parts of a 2004 lexus es330 2005 lexus es 330 : r/mechanicadvicelexus es330 2005+ цветная схема отопителя.

2005 lexus es 330 fuse box diagramLexus es 330 engine core plug. for oil pan drain; with Heater: my heater is not blowing heatlexus es330 2005 correct wiring diagram? : carav.

2005 Lexus ES 330 Wiring Diagram Manual Original

Q&a: lexus es330 check engine code p2195

All wiring diagrams for lexus es 330 2005 model – wiring diagrams for carsExploring the components of a 2005 lexus es330: a visual diagram 2005 lexus es 330 trunk lid release switch2005 lexus es 330 fuse box diagram.

All wiring diagrams for lexus es 330 2005 – wiring diagrams for cars[diagram] 2005 lexus es 330 es330 electrical wiring diagram manual ... lexus es 330 engine core plug. for oil pan drain; withAll wiring diagrams for lexus es 330 2005 model – wiring diagrams for cars.

Lexus ES330 2005+ цветная схема отопителя

2003 lexus es 300 wiring diagram manual original

2005 lexus es330 radio wiring diagram2003 lexus es 300 wiring diagram manual original Air conditioning – lexus es 330 2005 – system wiring diagrams – wiringEvaporator & heater components for 2005 lexus es330.

All wiring diagrams for lexus es 330 2005 model – wiring diagrams for carslexus es300 330mcv31l-beagka 2005 lexus es 330 trunk lid release switchAll wiring diagrams for lexus es 330 2005 – wiring diagrams for cars.

2005 Lexus ES 330 Trunk Lid Release Switch - 8484024020 - Genuine Lexus

2005 lexus es330 radio wiring diagram

Lexus rx 330 a/c expansion valve. ring, conditioning, airRadio – lexus es 330 2005 – system wiring diagrams – wiring diagrams ... Lexus electrical wiring diagram manualRadio – lexus es 330 2005 – system wiring diagrams – wiring diagrams.

Heater: my heater is not blowing heatEvaporator & heater components for 2005 lexus es330 Q&a: lexus blowing hot air on one side[diagram] 2004 lexus rx 33wiring diagram manual original.

[DIAGRAM] 2004 Lexus Rx 33wiring Diagram Manual Original - MYDIAGRAM.ONLINE

2005 lexus es 330 wiring diagram manual original

[diagram] 2004 lexus rx 33wiring diagram manual originalExploring the components of a 2005 lexus es330: a visual diagram 2005 lexus es 330 fuse box diagram2005 lexus es 330 valve assembly. vacuum switching; vacuum switching ....

All wiring diagrams for lexus es 330 2005 model – wiring diagrams for cars2005 lexus es 330 trunk lid release switch 2005 lexus es 330 valve assembly. vacuum switching; vacuum switching2003 lexus es 330 switch. transfer indicator, no. 1; transfer indicator.

[DIAGRAM] 2005 Lexus Es 330 Es330 Electrical Wiring Diagram Manual

[diagram] 2005 lexus es 330 es330 electrical wiring diagram manual ...

Lexus es 330 2005 engine fuse box/block circuit breaker diagram2005 lexus rx 330 engine coolant thermostat. wax, cooling 2005 lexus es 330 trunk lid release switchAll wiring diagrams for lexus es 330 2005 – wiring diagrams for cars.

Lexus es300 330mcv31l-beagka2005 lexus rx 330 engine coolant thermostat. wax, cooling All wiring diagrams for lexus es 330 2005 model – wiring diagrams for cars[diagram] 2005 lexus es 330 es330 electrical wiring diagram manual.

All Wiring Diagrams for Lexus ES 330 2005 model – Wiring diagrams for cars

A visual guide to the under-the-hood parts of a 2004 lexus es330

.

.

Exploring the Components of a 2005 Lexus ES330: A Visual Diagram Lexus RX 330 A/c expansion valve. Ring, conditioning, air - 8851528180

Lexus RX 330 A/c expansion valve. Ring, conditioning, air - 8851528180

All Wiring Diagrams for Lexus ES 330 2005 model – Wiring diagrams for cars

All Wiring Diagrams for Lexus ES 330 2005 model – Wiring diagrams for cars

Q&A: Lexus ES330 Check Engine Code P2195 - O2 Sensor Location

Q&A: Lexus ES330 Check Engine Code P2195 - O2 Sensor Location

Heater: My Heater Is Not Blowing Heat

Heater: My Heater Is Not Blowing Heat