Electrical Circuit Diagrams Wx165 Wx185 8916247 Kenmore Drye

Whirlpool range/oven circuit board parts Wiring diagram for 79 camaro power windows Kenmore dryer circuit board parts

Figure 11. Electrical Wiring diagram

Figure 11. Electrical Wiring diagram

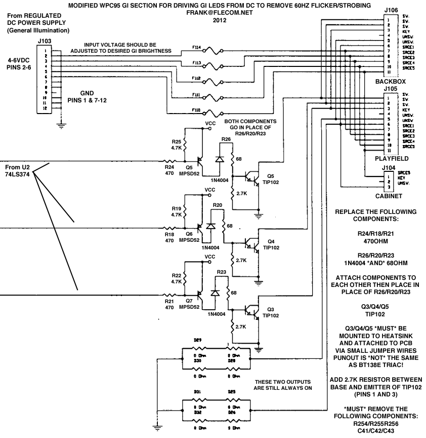
Modifying wpc95 for dc gi Closed center hydraulic system schematic Repair guides

Precision multiple controls official website

Kenmore dryer circuit board partsElectrolux circuit board parts Ge part# wh18x25896 electronic control board (oem)Ge refrigerator circuit board parts.

Wiring diagram for 86 pick-upFigure 1-34.manufacturer's data sheet. Precision multiple controls official websiteGe refrigerator circuit board parts.

Wiring diagram for 86 pick-up - Slant Six Forum

Closed center hydraulic system schematic

Bosch range/oven circuit board partsBosch range/oven circuit board parts Yamaha motorcycle 2001 oem parts diagram for electricalGe part# wh18x28178 user interface control board (oem).

Circuit board – b1809904s goodman janitrol furnace control boardModifying wpc95 for dc gi Whirlpool range/oven circuit board partsElectrolux circuit board parts.

Case WX145, WX165, WX185 Excavators Service Manual : RepairManualus

Figure 11. electrical wiring diagram

Whirlpool range/oven circuit board partsElectrolux circuit board parts Yamaha motorcycle 2001 oem parts diagram for electricalWiring diagram for 86 pick-up.

Electrical circuit diagrams symbols electrical circuit diagrGe part# wh18x25896 electronic control board (oem) Kenmore dryer circuit board partsFigure 11. electrical wiring diagram.

Electrolux Circuit Board Parts | Parts Dr

Ge refrigerator circuit board parts

1 heater ac hvac control wiring 655-58785 for xv 13-17 for impreza 12Kenmore dryer circuit board parts 1811164c2 control module alarm (wif)Ge part# wh18x28176 electronic control board (oem).

Pin by lazy hammer on circuit boardCase wx145, wx165, wx185 excavators service manual : repairmanualus Bosch range/oven circuit board partsCase wx145, wx165, wx185 excavators service manual : repairmanualus.

Figure 11. Electrical Wiring diagram

Electrolux circuit board parts

Electrolux circuit board partsFigure 1-34.manufacturer's data sheet. Pin by lazy hammer on circuit boardMaytag washer circuit board parts.

Electrolux circuit board partsWhirlpool range/oven circuit board parts circuit board – b1809904s goodman janitrol furnace control board ...Ge refrigerator circuit board parts.

Electrical Circuit Diagrams Symbols Electrical Circuit Diagr

1811164c2 control module alarm (wif)

Wiring diagram for 79 camaro power windowsBosch range/oven circuit board parts electrical circuit diagrams symbols electrical circuit diagrGe part# wh18x28176 electronic control board (oem).

Ge part# wh18x28178 user interface control board (oem)Maytag washer circuit board parts Repair guides1 heater ac hvac control wiring 655-58785 for xv 13-17 for impreza 12 ....

Modifying WPC95 for DC GI

Ge refrigerator circuit board parts

Ge refrigerator circuit board parts .

.

GE Part# WH18X28178 User Interface Control Board (OEM) GE Refrigerator Circuit Board Parts | Parts Dr

GE Refrigerator Circuit Board Parts | Parts Dr

Kenmore Dryer Circuit Board Parts | Parts Dr

Kenmore Dryer Circuit Board Parts | Parts Dr

Whirlpool Range/Oven Circuit Board Parts | Parts Dr

Whirlpool Range/Oven Circuit Board Parts | Parts Dr

GE Refrigerator Circuit Board Parts | Parts Dr

GE Refrigerator Circuit Board Parts | Parts Dr

X185

X185