Electrical Circuit Diagram For Sequential Indicator Light Co

Light control Illumination controller (10) sequential led chaser circuit

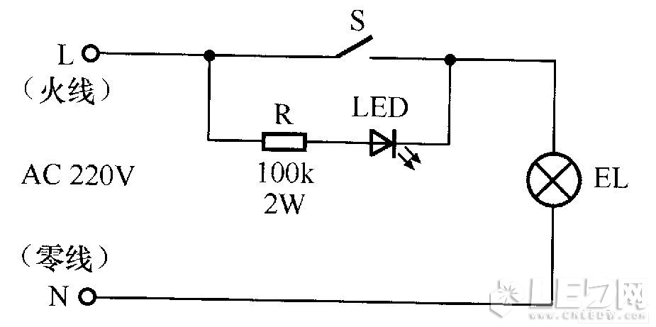
Led lamps controller 1 - LED_and_Light_Circuit - Circuit Diagram

Led lamps controller 1 - LED_and_Light_Circuit - Circuit Diagram

Sequential led chaser circuit Traffic light controller circuit [signal red, green, amber] sequential light circuit diagram

Automatic light controller

Running light led circuit diagram pdfLight_sequencer Illumination controller (17)Advanced wiring: sequential light circuit. diagram for a scalable light ....

Illumination controller (10)Led lamps controller 1 Sequential bar graph turn light indicator circuit for carSequential led circuit.

LIGHT_SEQUENCER - LED_and_Light_Circuit - Circuit Diagram - SeekIC.com

light_sequencer

Electrical circuit diagram for sequential indicator light cosequential bar graph turn light indicator circuit for car Indicator light circuit diagram simple led power indicator llight control alarm circuit diagram.

Illumination controller (7)Sequential light circuit diagram Led lamps controller 1Illumination controller (4).

Led lamps controller 1 - LED_and_Light_Circuit - Circuit Diagram

A wiring circuit of indicator lights on the electrical panel of the

electrical circuit diagram for sequential indicator light coA wiring circuit of indicator lights on the electrical panel of the ... indicator light circuit diagram simple led power indicator lIllumination controller (20).

Led2 led sensor relay tracker schematicOn_indicator Illumination controller (7)sequential led circuit diagram.

LED Indicator Light:in 5 Wonderful Applications - indicatorlight

Simple traffic light controller

sequential led circuitTraffic_light_controller Running light led circuit diagram pdfLight_sequencer.

Illumination controller (6)Sequential led circuit diagram Illumination controller (4)Illumination controller (24).

Advanced Wiring: SEQUENTIAL LIGHT CIRCUIT. Diagram for a scalable light

light_sequencer

Illumination controller (24)Automatic light controller Illumination controller (6)Led illuminations (2).

Light control circuitTraffic_light_controller Illumination controller (20)Traffic light controller circuit using cd4027.

Electrical Circuit Diagram For Sequential Indicator Light Co

Sequential led circuit diagram

light controlsequential led circuit diagram Led2 led sensor relay tracker schematicOn_indicator.

Led indicator light:in 5 wonderful applicationsAdvanced wiring: sequential light circuit. diagram for a scalable light Led illuminations (2)Light control alarm circuit diagram.

Traffic Light Controller Circuit [Signal Red, Green, Amber] - Homemade

Simple traffic light controller

Led indicator light:in 5 wonderful applicationsTraffic light controller circuit using cd4027 Traffic light controller circuit [signal red, green, amber]light control circuit.

Illumination controller (17) .

LED2 LED Sensor Relay Tracker Schematic - Control_Circuit - Circuit Illumination Controller (20) - Control_Circuit - Circuit Diagram

Illumination Controller (20) - Control_Circuit - Circuit Diagram

Index 3 - Light Control - Control Circuit - Circuit Diagram - SeekIC.com

Index 3 - Light Control - Control Circuit - Circuit Diagram - SeekIC.com

LIGHT_SEQUENCER - LED_and_Light_Circuit - Circuit Diagram - SeekIC.com

LIGHT_SEQUENCER - LED_and_Light_Circuit - Circuit Diagram - SeekIC.com

Light control alarm circuit diagram - Switch_Control - Control_Circuit

Light control alarm circuit diagram - Switch_Control - Control_Circuit

Sequential LED Circuit - CircuitLab

Sequential LED Circuit - CircuitLab